Диссертационная работа
Создание экспериментальных поверхностей
Глава 3. Получение нового микрорельефа на поверхности титана.
Формирование и жизнедеятельность тканей организма на границе раздела с небиологическими материалами зависят от ряда факторов, в том числе микроструктуры поверхности материала.
В экспериментальной части работы были подготовлены и использованы образцы из титана марки ВТ-I-О (диски диаметром 12 мм, толщиной 0,5 мм, с технологическим отверстием 2,5 мм). Общим количеством 240 штук. Диски прошли разную степень предварительной обработки. Часть из них была обработана дробеструйным способом (80 шт.), другая методом ионно-плазменной и микроплазменной обработки (по 80 шт. соответственно). Все они в последующем были подвергнуты исследованию и электронному поверхностному сканированию в Санкт-Петербургском государственном электротехническом университете «ЛЭТИ» под руководством д.т.н. профессора, заслуженного деятеля науки и техники, лауреата Государственной премии РФ, зав. кафедрой электронных приборов и устройств Быстрова Ю.А.
3.1. Дробеструйная обработка титановых образцов.
В результате многочисленных исследований, проведенных invitro и invivo, было установлено, что определенная модификация поверхности, например, увеличение толщины оксидной пленки или придание шероховатости поверхности, может оказывать благоприятное влияние на процесс остеогенеза.
Рельефная поверхность биоинертных материалов обладает большей по сравнению с гладкой поверхностной энергией и смачиваемостью, что способствует адсорбции белков, механическому прикреплению к поверхности материала волокон фибрина и коллагена. Наличие определенной шероховатости, пор или углублений на поверхности внутрикостной части имплантата способствует адгезии остеогенных клеток, фибро- и остеобластов, синтезу специфических белков и факторов роста, что в конечном итоге позволяет достичь увеличения площади костной интеграции.
Шероховатость позволяет также значительно увеличить удельную площадь взаимодействующей с костью поверхности имплантата, что увеличивает силу его интеграции с костью и снижает уровень механического напряжения в окружающих структурных единицах кости.
Считается, что оптимальным для остеогенеза и минерализации костного матрикса является глубина микрорельефа от 70 до 700 мкм.
Текстуру или определенную, имеющую регулярный рисунок, шероховатость на поверхности имплантата можно создать при помощи обработки поверхности внутрикостной части имплантата абразивными материалами под давлением (пескоструйная обработка). В качестве абразивного материала обычно используются порошки алюмо- или титаноксидной керамики. Оптимальным считается создание микрорельефа при обработке частицами диаметром 75 мкм.
Удаление материала с поверхности имплантата.
Шероховатость поверхности внутрикостной части имплантатов может быть создана при помощи травления кислотами. Для этой цели обычно используют соляную, серную, азотную и фтористую кислоты. После травления шероховатость поверхности получается более равномерной по сравнению с механической обработкой, но достичь прогнозируемого размера пор при этом практически невозможно. Поэтому травление кислотами часто производят дополнительно после пескоструйной обработки. Сочетание этих способов позволяет снизить чрезмерно высокие пики шероховатости после пескоструйной обработки, сохранив при этом необходимую глубину рельефа.
С целью удаления части материала и получения определенной текстуры поверхности имплантата можно применять лазер. Выжигание и выпаривание части материала при помощи эксимерного лазера приводят к образованию кратеров на поверхности материала. Таким образом, можно создать текстуру поверхности с запрограммированной величиной и глубиной пор.
Пассивация — создание оксидной пленки на поверхности металлов для предохранения их от коррозии. Цель пассивации - увеличение толщины оксидного слоя поверхности имплантата.
Наиболее распространенным является следующее мнение: пассивация может повысить коррозийную устойчивость металлов, применяемых для изготовления имплантатов, и оправдана с термодинамической, физико-химической и биологической точек зрения.
Однако какую толщину оксидной пленки считать оптимальной, пока неизвестно. Кроме того, ее увеличение может происходить за счет образования не только наиболее стабильного соединения ТiO2, но и менее устойчивых окислов TiO и Ti2O3, вследствие чего может иметь место ускоренная диссоциация оксидного слоя, сопровождающаяся пигментацией окружающих тканей. Известно также, что увеличение толщины оксидного слоя может приводить к его разрушению и отслойке под воздействием циклических нагрузок.
Толщина оксидного слоя на поверхности титана возрастает при термической, пескоструйной, ультразвуковой обработке, плазменном напылении, травлении кислотами, обработке в тлеющем разряде, а также при стерилизации имплантатов. При длительном взаимодействии с тканями организма толщина оксидного слоя титана может увеличиваться до 200 нм.
3.1.1. Титановые диски прошедшие дробеструйную обработку.
Для проведения дробеструйной обработки была использована группа титановых дисков в количестве 80 шт. На рисунке № 10 представлена установка для механической и последующей дробеструйной обработки титановых изделий.
![]() Рис. №. 10 Внешний вид установки для дробеструйной обработки поверхности металла. |
После проведения механической и дробеструйной обработки поверхности образцов, титановые диски были подвергнуты необходимой очистке по стандартной методике. Готовые образцы были подвергнуты микроскопическому исследованию поверхности.
![]() Рис. № 11. Внешний вид поверхности титанового диска после дробеструйной обработки (увеличение 200 мкм.). |
![]() Рис. № 12. Внешний вид поверхности титанового диска после дробеструйной обработки (увеличение 50 мкм.). |
На представленных образцах рис. № 11 – 12 при малом увеличении (200 мкм.) видна довольно однородная структура поверхности. При увеличении в 50 мкм отчётливо видны вкрапления в поверхность металла тёмного или черного цвета.
![]() Рис. № 13. Внешний вид поверхности титанового диска после дробеструйной обработки (увеличение 5 мкм.). |
![]() Рис. № 14. Внешний вид поверхности титанового диска после дробеструйной обработки (увеличение 5 мкм.). |
При подробном изучении поверхности титановой пластины обработанной дробеструйным способом, наблюдаются значительные неровности, (рис. № 13) лакуны, почти все они выполнены инородными включениями. Включения эти не что иное, как материал, которым происходило получение дробеструйной поверхности. На рис. № 14 имеется искусственно сделанное углубление (срез) на поверхности металла для лучшего изучения глубины проникновения инородных включений.
![]() Рис. № 15. Внешний вид поверхности титанового диска после дробеструйной обработки (увеличение 5 мкм.). |
![]() Рис. № 16. Внешний вид поверхности титанового диска после дробеструйной обработки (увеличение 2 мкм.). |
Рис. № 15 – 16. Размер микрорельефа на титановом образце порядка 1,5 мкм. Поверхность диска значительно загрязнена, чёрные пятна на поверхности среза – инородные включения. По физико-химическим свойствам они не металлической природы. Инородные включения характеризовались нами как диэлектрик, судя потому, что такие же частицы присутствуют и в массиве образца на глубинах до 2,5 мкм – это остатки порошка (гранул) которым проводилась дробеструйная обработка поверхности.
![]() Рис. № 17. Фрагмент апикального участка внутрикостной части дентального имплантата после дробеструйной обработки и последующего химического травления (увеличение 200мкм.). |
![]() Рис. № 18. Фрагмент резьбового участка внутрикостной части дентального имплантата после дробеструйной обработки и последующего химического травления (увеличение 200мкм.). |
На рис. № 17 - 18 представлена готовая к употреблению продукция (имплантаты из сплава титана марки ВТ-1-0, российский стандарт, аналог зарубежного стандарта «Grade-4») прошедшие все стадии обработки и очистки методом химического травления. При увеличении в 200 мкм визуально определяется значительная загрязненность поверхности внутрикостной части имплантата в области наружной резьбы. Как видно на поверхности и массиве образца присутствует большое количество инородных тел (остатки материала которым проводилась дробеструйная обработка). Таким образом, степень контаминации поверхности внутрикостной части имплантата, при дробеструйной обработке довольно высокая.
3.2. Получение нового микрорельефа на поверхности титана с применением метода ионно-плазменного травления.
Термин «плазменное травление» часто применяется для обозначения чисто химических реакций, в которых плазма служит исключительно источником реакционно-способных электрически нейтральных компонент, вступающих во взаимодействие с атомами поверхности твердого тела, в результате чего образуются летучие продукты реакций.
Плазменное травление может осуществляться различными методами. При использовании методов ионного травления, включающего ионно-лучевое и ионно-плазменное травление, процесс травления происходит исключительно по механизму физического распыления. Реактивные методы, включающие собственно плазменное травление, реактивное электронно-лучевое травление и реактивное ионно-плазменное травление, основаны на различной степени сочетаний химических реакций, в ходе которых образуются летучие или квазилетучие соединения, и физических взаимодействий, таких, как ионная бомбардировка.
Предпочтительно разделять методы травления не по механизму, а по функциональным признакам, т. е. присущим им комбинациям функциональных параметров.
3.2.1. Ионно-плазменное и ионно-лучевое травление.
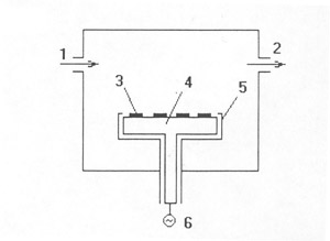
Как ионно-плазменное, так и ионно-лучевое травление основаны на использовании образующихся в процессе разряда высокоэнергетических (>=500 эВ) ионов инертного газа, например Аг+. Ионно-плазменное травление проще всего осуществить в высокочастотной диодной системе, схема которой представлена на рис. № 19. Материал, подвергаемый травлению, закрепляется на запитываемом электроде и бомбардируется притягиваемыми из плазмы ионами.
![]() Рис. № 19. Схема установки для ионно-плазменного и ионно-лучевого травления. |
На рисунке № 19 представлена схема установки.. 1. - рабочий газ. 2. - вытяжка к насосу. 3. - подложка. 4. - катод. 5. - заземлённый экран. 6. - источник ВЧ - напряжения.
Высокочастотная диодная система для реактивного ионного травления. (запитываемый электрод является катодом, а все остальные внутренние заземленные части реактора - анодом; при этом площадь катода намного меньше площади анода. Плазма не удерживается и занимает весь объем камеры. Заземленный экран предотвращает распыление защищаемых им участков поверхности запитываемого электрода).
В методе ионно-лучевого травления источником ионов обычно является разряд постоянного тока, ограничиваемый магнитным полем, причем область разряда физически отделена от стравливаемой подложки системой сеток (электродов), на которые подаются потенциалы смещения, обеспечивающие экстрагирование ионного пучка (обычно Аг+) из разряда. Для обеспечения используемых па практике плотностей тока лучка (<= 1 мА/см2) требуется прикладывать напряжение (сообщать ионам энергию) свыше 500 В. Обычно пучок хорошо коллимирован, поэтому угол его падения на поверхность подложки можно регулировать наклоном подложки держателя.
3.2.2. Реактивное ионное и реактивное ионно-лучевое травление.
Реактивное ионное травление, называемое также реактивным ионно-плазменным травлением, осуществляется в реакторах, аналогичных применяемым для ионно-плазменного травления. Однако в реактивном ионном травлении вместо плазмы инертного газа используется разряд в молекулярных газах аналогично тому, как это осуществляется при плазменном травлении.
Реактивное ионно-лучевое травление - самый современный из разработанных методов травления. Применяемое при этом оборудование сходно с установкой для ионно-лучевого травления. Аналогичными являются и рабочие характеристики. Однако вместо инертных газов источником ионов служат молекулярные газы - так же, как в методах плазменного и реактивного ионного травления.
Плазменное травление
Для плазменного травления некоторых металлов применяют молекулярные газы, содержащие один или более атомов галогенов в своих молекулах. Выбор таких газов объясняется тем, что образуемые ими в плазме элементы реагируют с материалами, подвергаемыми травлению, образуя летучие соединения при температурах, достаточно низких, чтобы обеспечить качественный перенос рисунка.
Для травления с высоким разрешением используются реакторы с электродами в виде параллельных пластин. Такие системы имеют ряд отличительных характеристик.
Во-первых, электроды почти симметричны (отношение площадей запитываемый и заземленной поверхностей значительно ближе к единице, чем в системах ионно-плазменного и реактивного ионного травления). Уровень удержания плазмы относительно высок, поскольку электроды расположены близко друг к другу и имеют размеры в плоскости, соизмеримые с диаметром внутренней полости реактора. Удержание плазмы обеспечивает повышение ее потенциала. Другими отличительными характеристиками являются размещение подвергаемых травлению подложек на заземленном электроде и относительно высокое рабочее давление (от 13,3 до 1330 Па).
Вероятность обеспечения высокого потенциала плазмы в системах плазменного травления не следует переоценивать. Поскольку подложки либо заземлены, либо находятся под плавающим потенциалом, энергия падающих на них ионов может быть равна потенциалу плазмы или немного превышать его и при определенных условиях может достичь нескольких сотен вольт, несмотря на высокое рабочее давление. При высоком потенциале плазмы поверхностные реакции, определяющие процесс травления, сильно зависят от эффекта ионной бомбардировки. В этом случае плазменное травление не отличается по механизму от реактивного ионного травления.
Подача высокочастотного напряжения часто осуществляется посредством цепей с регулируемым импедансом при частоте 13,56 МГц (эта стандартная частота используется в промышленных, научных и медицинских установках в США). Однако недавно проведенные исследования влияния частоты на характеристики процесса травления показали важность этого параметра, определяющего энергию ионов, что привело к заключению о целесообразности отклонения от стандартной частоты. Цепи регулировки применяются для согласования импеданса плазмы с выходным импедансом высокочастотного генератора, что обеспечивает эффективную передачу энергии.
Факторы, определяющие скорость и селективность травления.
Энергия и угол падения ионов.
Влияние энергии и угла падения ионов на интенсивность распыления, определяемую числом атомов поверхности, выбиваемых с нее одним падающим ионом, представляет интерес, так как распыление и сопутствующие ему эффекты происходят при травлении в реактивной плазме. Энергия ионов должна превышать пороговую величину порядка 20 эВ, при которой начинается распыление, и должна быть намного выше указанной величины (несколько сотен электрон-вольт) для достижения практически приемлемых скоростей ионно-плазменного травления. Интенсивность распыления большинства материалов монотонно возрастает по мере повышения энергии ионов в интервале энергий ионов, соответствующем сухому травлению (<=2 кэВ), но при энергии свыше ~ 300 эВ скорость этого возрастания уменьшается.
Интенсивность распыления зависит от угла, под которым ионы соударяются с поверхностью. Ионы, падающие на поверхность под наклонным углом, характеризуются более высокой по сравнению со случаем нормального падения вероятностью эмиттирования атома, вектор скорости которого направлен от поверхности подложки. Кроме того, такие ионы передают большую долю своей энергии приповерхностным атомам, вероятность эмиссии которых выше.
Имеет значение эффект, оказываемый атомными соударениями на протекающие на поверхности химические реакции. В настоящее время эти стимулируемые ионами реакции являются предметом интенсивного изучения. Растущее число экспериментальных фактов свидетельствует о том, что стимулируемые ионами реакции между электрически нейтральными травящими частицами, образованными в разряде, и поверхностью твердого тела играют доминирующую роль во многих процессах сухого травления.
Состав рабочего газа.
Состав рабочего газа - доминирующий фактор, определяющий скорость травления и селективность при плазменном и реактивном ионном травлении.
Для реактивного травления часто применяют многокомпонентные смеси, представляющие собой обычно главную компоненту с одной или более добавками, которые вводятся для обеспечения наряду с требуемой скоростью травления других заданных характеристик: селективности, однородности, профиля края. Примером влияния таких добавок на скорость травления служит плазменное травление Si в SiO2 в смесях, содержащих CF4.
Скорость травления Si в SiO2 в плазме CF4 относительно низкая. При добавлении в рабочий газ кислорода скорость травления как Si, так и SiO2 резко возрастает. Максимальная скорость травления достигается для Si при добавлении 12% О2, для SiO2 при добавлении 20% С2. При повышении концентрации О2 скорость травления понижается, причем для Si в большей степени, чем для SiO2.
Давление, плотность мощности и частота.
Давление газа, плотность мощности и частота прикладываемого электрического поля - независимые параметры, но на практике индивидуальное влияние каждого из них на процесс травления иногда трудно объяснить или предсказать. Однако являются очевидными несколько общих тенденций.
Понижение давления и (или) частоты и повышение плотности мощности приводят к увеличению средней энергии электронов и энергии, падающих на подвергаемую травлению поверхность ионов. Повышение плотности мощности вызывает также повышение плотности радикалов и ионов в плазме. Таким образом, в процессах ионно-стимулируемого травления путем уменьшения давления и частоты или увеличения мощности можно повысить степень анизотропии скорости травления.
Несмотря на малое число публикаций, посвященных исследованию зависимости скорости травления от частоты прикладываемого напряжения, ясно, что основным параметром, управляемым частотой, является энергия ионов. Это подтверждают и результаты исследования анизотропии скорости травления. Рабочие частоты лежат в интервале от 10 кГц до 30 МГц.
Скорость потока.
Скорость потока рабочего газа определяет максимально возможный приток к подложке реакционноспособных компонент. В действительности приток зависит от равновесия между процессами генерации и рекомбинации в плазме активных элементов, что обсуждалось выше. Один из механизмов потерь травящих компонент - унос их вязким газовым потоком. Скорость потерь обратно пропорциональна продолжительности пребывания tr, определяемой как
tr=0,175Vp/F,
р (Па) - давление, V и F - объем плазмы и скорость газового потока соответственно. Продолжительность пребывания - мера средней продолжительности нахождения молекулы в плазме.
При обычных условиях протекания процесса скорость потока рабочего газа оказывает незначительное воздействие на скорость травления. Это влияние проявляется при экстремальных условиях, когда-либо скорость потока настолько мала, что скорость травления лимитируется доставкой травителя к подложке, либо скорость травления столь велика, что унос газовым потоком становится доминирующим механизмом потерь активных компонент. Возможность реализации последней ситуации зависит от скорости откачки, вязкости рабочего газа и вида материалов, находящихся внутри реактора. Если время жизни активных компонент мало (вследствие проявления других механизмов потерь), влиянием скорости газового потока можно пренебречь. Продолжительность пребывания травящих компонент в плазме обратно пропорционально зависит от скорости потока.
Температура.
Температурная зависимость скорости реактивного травления определяется главным образом влиянием температуры на скорость протекания химических реакций. Температура влияет также и на селективность, так как величина энергии активации зависит от вида материала. Для обеспечения однородных и воспроизводимых скоростей травления необходимо контролировать температуру подложки. Основной причиной нагрева теплоизолированных подложек является их разогрев плазмой. Кроме того, заметный вклад в повышение температуры может вносить тепло, выделяемое в результате протекания экзотермических реакций травления.
Загрузочный эффект.
При реактивном травлении иногда наблюдается уменьшение скорости травления при увеличении суммарной площади поверхности, подвергаемой травлению. Это явление известно как загрузочный эффект, происходящий в тех случаях, когда активные компоненты быстро вступают в реакцию с подвергаемым травлению материалом, но обладают длительным временем жизни в отсутствие этого материала. В этом случае доминирующим механизмом потерь активных компонент является само травление, поэтому, чем больше площадь подвергаемой травлению поверхности, тем выше скорость потерь. Скорость образования активных компонент определяется рабочими характеристиками процесса (давлением, мощностью, частотой и т.д.) и почти не зависит от количества подвергаемого травлению материала в реакторе. Таким образом, средняя концентрация активных компонент, равная разности скоростей образования и потерь, уменьшается с увеличением площади поверхности, подвергаемой травлению.
3.3. Создание развитого микрорельефа на внутрикостной поверхности имплантата методом реактивного ионно-плазменного травления.
Создание развитого микрорельефа можно добиться разными способами обработки поверхности имплантата. Наиболее простым на первый взгляд дробеструйная обработка или химическое травление. Однако химический метод не подходит из-за плохо контролируемой скорости травления и опасности осаждения на поверхности изделия химических соединений. Широко применяемая при изготовлении имплантатов дробеструйная обработка как показали проведённые нами исследования, обладатт рядом недостатков.
Научной группой Санкт-Петербургского государственного электротехнического университета совместно со специалистами кафедры факультетской хирургической стоматологии и имплантологии Московского Государственного Медико-Стоматологического Университета была разработан принципиально новый метод создания микрорельефа на поверхности дентального имплантата, основанный на технологии ионного травления. Внутрикостная часть имплантата обрабатывается концентрированными потоками энергии (Ионным Пучком). Метод реализован на установке УВНИПА 1-002. Модернизированный источников ионов типа «Радикал» позволяет создать на поверхности имплантата однородный микрорельеф с размером шероховатостей порядка 1,5-2 мкм (I разр. =1 А, Uсмещ.=1,5 кВ, t = 120 мин, Р раб. = 4,5х10-2 Па, рабочий газ - аргон, реактивный газ - кислород). Модернизированная установка УВНИПА 1-002 предназначена для травления металлов и износостойких покрытий. В данной системе травления на посадочные места катодных блоков дуговых испарителей установлены источники электронов, которые представляют собой охлаждаемые водой цилиндры с соотношением внутреннего диаметра к длине 1:3. Вокруг каждого источника создается внешнее магнитное поле с помощью электромагнитных катушек, размещенных на анодных блоках дуговых испарителей. Катушки размещаются таким образом, чтобы максимальная напряженность магнитного поля приходилась на среднюю часть источников электронов.
Магнитное поле имеет арочную конфигурацию, что обеспечивает формирование магнитной ловушки для электронов в области источника электронов. Источники электронов запитываются от блока питания, обеспечивающего выходное напряжение Uвых=-1,5 кВ при общем токе 1общ.=1 А. При рабочем давлении р=1Па источник питания обеспечивает зажигание тлеющего разряда. Дополнительные фокусирующие катушки, направляют поток электронов к центру вакуумной камеры и позволяют частично его расфокусировать.
На вращающийся барабан с обрабатываемыми изделиями подается напряжение смещения Uсм =-1 кВ. В области барабана с изделиями развивается мощный пучково-плазменный разряд, подпитываемый двумя источниками электронов. Из разряда ионы аргона с энергией 1 кэВ попадают под разными углами на поверхность обрабатываемых изделий и производят её травление.
3.3.1. Титановые диски прошедшие ионно-плазменную обработку.
Травлению подвергались образцы из титанового сплава марки ВТ-1-0, российский стандарт, аналог зарубежного стандарта «Grade-4» (диски диаметром 12,0 мм, толщиной 0,5 мм, в центре которых имелось технологическое отверстие диаметром 2,5 мм). Всего было обработано 80 образцов.
![]() Рис. № 20. Внешний вид поверхности титанового диска после ионно-плазменной обработки (увеличение 200 мкм.). |
![]() Рис. № 21. Внешний вид поверхности титанового диска после ионно-плазменной обработки (увеличение 50 мкм.). |
На представленных образцах рис. № 20 – 21 при малом увеличении (200 и 50 мкм.) видна чистая и однородная структура поверхности.
![]() Рис. № 22. Внешний вид поверхности титанового диска после ионно-плазменной обработки (увеличение 20 мкм.). |
![]() Рис. № 23. Внешний вид поверхности титанового диска после ионно-плазменной обработки (увеличение 5 мкм.). |
На рис. № 22. наблюдается однородность поверхности титанового сплава. Рис. № 23 – визуально определяется поликристаллическая структура металла на исследуемой поверхности образца.
![]() Рис. № 24. Внешний вид поверхности титанового диска после ионно-плазменной обработки (увеличение 5 мкм.). |
На рис. № 24 представлен титановый диск, прошедший ионно-плазменную обработку. В искусственно созданном углублении отсутствуют внутренние дефекты. Размер получаемых таким способом шероховатостей порядка 1,2 – 1,5 мкм. Поверхность металла чистая. На образце хорошо видна поликристаллическая структура исследуемого титанового диска.
![]() Рис. № 25. Фрагмент участка внутрикостной части дентального имплантата после ионно-плазменной обработки и последующего химического травления (увеличение 200мкм.). |
![]() Рис. № 26. Фрагмент участка внутрикостной части дентального имплантата после ионно-плазменной обработки и последующего химического травления (увеличение 20 мкм.). |
На представленных рисунках 25 - 26: при увеличении в 200 мкм виден фрагмент имплантата с чистой однородной поверхностью, без каких либо посторонних включений и дефектов. При увеличении в 20 мкм структура поверхности металла однородна, прослеживается поликристаллическая структура титана.
Как видно на представленных рисунках полученные образцы полностью лишены дефектов, присущих дробеструйной обработке. Размер шероховатостей однороден, отсутствуют посторонние включения, как на поверхности, так и в массиве образца, не наблюдается изменение структуры материала, Кроме того, поверхность образцов полученных с использованием вакуумных методов отличается высокой чистотой поверхности.
Таким образом, использование современных ионно-плазменных технологий позволяет не только значительно улучшить характеристики, традиционно применяемых в имплантологии конструкций, но и фактически создать на их основе принципиально новую внутрикостную поверхность. Которая помимо улучшения механических характеристик контакта «имплантант-костная ткань» может стимулировать процесс остеоинтеграции.
3.4. Метод получения новой поверхности титана с помощью микроплазменных разрядов.
Институтом общей физики РАН им. А.М. Прохорова, совместно с научно-техническим центром «ПЛАЗМАИОФАН» был разработан микроплазменный метод упрочнения приповерхностного слоя изделий из различных металлов и сплавов. Данный метод позволяет не только упрочнять поверхность металлов, но и создавать на ней высокопрочный рельеф микронного масштаба.
К параметрам сплавов, подвергшихся микроплазменной обработке, предъявлялись следующие требования:
На поверхности образца должен сформироваться рельеф с характерным размером по высоте не менее 5 мкм.
Рельеф должен обладать стойкостью к сдвиговым деформациям, и достаточно высокими значениями предельно допустимых давлений,превышающими аналогичные значения при стандартной термомеханической обработке.
Поверхность сплава после плазменной обработки должна обладать достаточной степенью чистоты, исключающей необходимость дополнительной химической очистки.
В результате обработки в приповерхностном слое металла должна быть снижена концентрация микродефектов и включений.
Описание установки «Сфера-2» (ИОФАН).
Технологический стенд «Сфера-2» предназначен для возбуждения и поддержания импульсных микроплазменных разрядов на поверхности образцов из металлов и сплавов. Процессы происходят в непрерывно откачиваемой вакуумной камере, в которой расположены плазменный инжектор, оборудование для установки образцов, часть системы диагностики плазменных и электрических параметров разрядов.
Общий вид вакуумного комплекса технологического стенда «Сфера-2» представлен на рисунке № 27.
-
Рис. № 27. Вакуумный комплекс технологического стенда «Сфера-2»
Стенд включает в себя следующие основные узлы:
-
Вакуумная камера (1).
-
Система обеспечения вакуума: (Входной фильтр (2), вакуумный трубопровод (3), вакуумный кран (4), вакуумный пятиканальный разветвитель (5), вакуумный металлорукав (6), форвакуумный насос).
-
Система контроля давления газа в вакуумной системе стенда (термопарная лампа (7), вакуумметр).
-
Ввод движения высоковакуумный (8).
-
Плазменный инжектор с водяным охлаждением (9).
-
Блок электропитания плазменного инжектора.
-
Блок электропитания микроплазменных разрядов.
-
Система зондовой диагностики параметров инициирующей плазмы (10).
-
Блок диагностики плазменных и электрических параметров разрядов.
![]() Рис № 28. Внешний вид установки «Сфера-2» |
![]() Рис № 29. Процесс микроплазменной обработки. Разряд на инжекторе (справа), развитие микроплазменных разрядов на образце и держателе (в центре). |
Технические характеристики основных узлов стенда.
Вакуумная камера.
Вакуумная камера предназначена для создания необходимых условий для реализации плазменных процессов, приводящих к упрочнению поверхности образцов из металлов и сплавов. Вакуумная камера представляет собой сферу диаметром 445 мм, выполненную из листовой нержавеющей стали толщиной 2 мм. Камера имеет 6 основных патрубков (4 боковых и 2 вертикальных). На одном из основных горизонтальных фланцев камеры установлен фланец с плазменным инжектором, на другом – вакуумный ввод с зондовой системой диагностики плазмы и герметичные электрические вводы. Два других основных горизонтальных фланца вакуумной камеры снабжены прозрачными окнами для визуального наблюдения или фоторегистрации процессов, происходящих в камере. На верхнем вертикальном фланце камеры установлен вакуумный ввод движения с системой крепления образца. Нижний основной вертикальный фланец подсоединен через переходную секцию к системе вакуумной откачки.
Система обеспечения вакуума.
Система обеспечения вакуума предназначена для создания необходимых вакуумных условий в камере технологического стенда. В состав система вакуумной откачки входят следующие элементы: входной фильтр, вакуумный трубопровод, вакуумный кран, вакуумный пятиканальный разветвитель, вакуумный металлорукав, форвакуумный насос.
Вакуумный фильтр состоит из защитного колпака и металлической сетки, установленной на входе в вакуумный трубопровод. Защитный колпак предотвращает разрушение или прорыв металлической сетки и при случайном падении деталей, в процессе их установки или демонтажа в вакуумной камере после завершения технологической операции.
Система контроля давления газа в вакуумной системе стенда.
Система контроля давления газа в вакуумной системе ст

































